
MQ-15/55YL 煤礦清倉機 說明書
執行標準:MT/T 238.3-2006 Q/XYDCLC19-2021
山東韋辰重工有限公司
2021 年 4 月 11 日
目 錄
更優章 安全手冊 2
第二章 總體 6
一、概述 6
二、主要用途及適用范圍 6
三、型號的組成及其代表意義 6
四、使用環境條件 6
五、安全警示 7
六、技術特征 7
七、技術特點 8
1、雙臂挖料裝置 8
2、輸送裝置 9
3、履帶行走底盤 12
4、S 擺閥雙缸柱塞輸送泵 12
5、液壓動力驅動裝置 15
6、電氣控制系統 15
7、高壓快接橡膠輸送管 17
8、礦用煤泥脫水離心機(可選) 17
八、工藝流程及特點 18
第三章 清倉機的使用和維護 19
一、井上檢查與試運轉 19
二、清倉機的操作 19
三、清倉機的維修 19
四、常見故障及解決辦法 20
第四章 標志、包裝、運輸和貯存 21
一、標志 21
二、包裝與運輸 21
三、貯存 21
主要零(元)部件及重要原材料明細表 21
下面的符號用于設備使用維護說明書中特別重要的說明。
對生命和健康有直接危害的危險標志。
危險 無視這些標志必然導致傷害健康甚至生命。
對生命和健康有潛在危害的警告標志。
警告 無視這些標志可能會傷害健康甚至生命。
重要信息、規程或警戒危險的標志。注意 無視這些標志會造成設備事故。
要正確處理與清倉機有關的重要事宜標志。
無視這些標志會造成清倉機或其附件故障。
防爆腔標志 Exd[ib]I(150℃)
ExdI(150℃)
▲除閱讀安全規則外,每位運輸、裝卸、操作、維護人員必須閱讀手冊中與之相關的內容。
▲該手冊必須放置在有關人員常用的地方,如指定的工具箱或工具包中。
▲所有工作必須遵守手冊中各項條款。
▲貼在清倉機上的各種安全、危險、操作、保護標志必須完整清晰。
▲合同中如有附加安全條款也必須遵守。4 正確使用
▲清倉機必須按照手冊指出和要求的條件下使用,使用者必須有充分的安全意識。任何影響機器的不安全因素,應立即予以糾正。
▲清倉機只能用于清理煤礦水倉內煤泥以及其他相似的礦物。如以下使用都超出了其使用范圍:
以上都是不恰當的使用!
▲ 不能用搖臂升起清倉機。
▲ 必須嚴格按照制造商制訂的安裝、拆卸、使用、操作、維護和修理規則說明書執行, 以確保恰當使用。
▲ 設計和制造的清倉機可以用于易燃和易爆氣體環境。一旦易爆氣體濃度達到極限值, 如甲烷(CH4)濃度達到極限值,就必須停止機器運轉并切斷機器電源。
▲ 設備、大部件或單獨零件運輸時必須仔細固定并保證用于運輸和安裝的吊裝設備有足夠的吊裝能力。
▲ 委以清倉機工作的人員必須熟悉本使用維護說明書,特別是安全手冊。對于那些必要時在機器上工作的人員有同樣的要求,例如來更換設備的維修人員等。
▲ 為安全起見,長發必須系在后邊,衣服必須緊身,不帶首飾,以防造成傷害。
▲ 所有從事清倉機工作的人員必須可靠。必須限定從事這項工作的最小年齡。
▲ 只使用具有良好素質且有責任心的人員負責操作、裝配、維護和修理。
▲ 明確司機的責任并授權司機拒絕執行第三方違犯安全的指示。
▲ 不允許未經訓練、培訓或沒有經驗人員指導的人從事清倉機工作。
▲ 應該使用那些依照規則或“使用維護說明書”所需的人身保護設備。
▲ 操作者應該確保機器不被未經授權的人員操作。7 操作、維護及修理
▲ 設備安裝更優的安全和事故預防規程適應機器的操作。
▲ 機器只能在下述情況下操作:
— 具備所有的防護設備
— 有“緊急停止”裝置
以上設備必須保證是有效的,而且是功能完備的。
▲清倉機操作前必須預先檢查所有控制裝置和“緊急停止”裝置。
▲開始工作前,熟悉自己周圍的環境和情況,例如工作區域內的障礙物。
▲操作者在啟動時必須確定清倉機和水倉工作范圍內沒有人。安全條例提到的每一種情形必須避免!
▲必須避免對機器可能造成危害的任何操作。
▲操作失誤時,立即停機并防止重新啟動。立即改正失誤。
▲每班至少檢查一次清倉機外在可視損壞和故障。若有需要,應立即停機并防止重新啟動。
▲必須遵守予啟動報警裝置和控制顯示。
▲清倉機必須按“說明書”操作說明所指出的方式開、關。
▲如果清倉機在工作中發生安全故障而不能正常工作,應立即停機并向主管部門和人員匯報。
▲必須遵守“使用維護說明書”中的規定進行定期檢查和維修。
▲充分保證在安全范圍內的維修。
▲對清倉機在改裝,修改以及增加新功能會影響安全,因此未經制造商許可不得實施。
▲在開始工作和維護或修理之前,必須向操作人員簡要介紹情況,并指定專人監督其過程。
▲工作時手不要接觸到熱油,否則有燙傷或燒傷的可能。
▲清倉機靠電工作,如果不熟練,違規操作和修理,可能帶來嚴重的或災難性的后果。
▲清倉機停止工作或檢修時,必須切斷電源,并打開其磁力起動器的隔離開關。啟動清倉機前,必須先巡視清倉機四周,確認對員無危險后,方可接通電源。
▲清倉機在維修前必須防止在斜坡上滑動。
▲屬關聯檢驗的設備不得隨意更改,如需要更換必須經相關機構進行配接檢驗后方可使用。
▲廢液和換下的零件必須放在安全的地方,養成一個安全習慣和環境保護習慣,與之有關的規則必須遵守。
▲必須遵守安全手冊和規則中關于油、油脂和其他化學物質的使用規定。9 其他危險
本節概述了在運輸、存放、安裝、操作、拆卸、維護和修理過程中可能出現的危險。
▲機械危險
▲ 電氣危險
▲ 熱危害
▲ 機械保護臨時失效引起的危險
為了杜絕以上危險,必須嚴格遵守“使用維護說明書”中的安全說明。
煤礦井下水倉是保證安全生產、防止礦井水災的重要設施。隨著礦井開采的延伸,機械化生產的普及,礦井涌水量(地質涌水加生產用水)逐漸增大,涌水攜帶大量煤(巖) 泥進入水倉,使得井下水倉有效蓄水容積減小,排水主泵磨損加劇,礦井清倉及煤泥脫水成為影響礦井正常生產的關鍵環節,也是令生產者最為頭疼的工作之一。
《煤礦安全規程》更優百八十條規定,主要水倉必須有主倉和副倉,一個水倉清理時, 另一個水倉能正常使用,并始終保持原設計容積的 3/4 以上,如此循環交替工作。井下水倉工作條件惡劣,淤積物中含水量大,攪動后往往變成半流態或流態,傳統的清倉方式勞動強度大,工作效率低,清倉周期長,影響安全生產。因此.高效的礦井水倉清淤系統, 對減輕工人勞動強度,提高水倉清理速度和水倉抗擊水災能力,并可配備遠程可視化遙控操作系統,避免了普通機型操作人員必須在現場操作的安全隱患,為實現礦井安全生產具有重要的現實意義。
針對目前水倉清挖系統因傳統清倉工藝受到諸多因素制約,影響到水倉正常的清倉進度的問題,特開發生產了本清倉機。
該產品適用于煤礦井下水倉煤泥清理。

氣設備應根據制造廠和用戶的協議進行設計或使用。五、安全警示
2、該產品的電控腔及接線腔的箱蓋嚴禁在帶電的情況下打開。該產品在箱蓋的顯著 位置已標有“嚴禁帶電開蓋”的字樣。
4、該產品的電路嚴禁亂拆亂調。
5、隨時注意各煤泥輸送裝置運行情況,如有堵塞,應及時疏通。
6、定期檢查液壓管各連接口是否密合,不得有滲、漏油現象。
7、屬關聯檢驗的設備不得隨意更改,如需要更換必須經相關機構進行配接檢驗后方 可使用。
8、清倉機配有便攜式甲烷檢測報警儀,當工作面瓦斯濃度超出規定值時應斷電停機。
9、清倉機具有啟動報警功能。當供電時需打響聲光組合電鈴,以起到警示作用。
表 1 基本參數及尺寸
|
序號 |
型號 |
MQCY-15/55YL |
|
1 |
運輸更大尺寸:長×寬×高(mm) |
5050×1360×1970 |
|
2 |
集泥寬度(mm) |
1270---3250 |
|
3 |
集泥螺旋轉速(r/min) |
70 |
|
4 |
電機型號 |
YBKE3-250M-4(660/1140) |
|
5 |
總功率(kW) |
55 |
|
6 |
輸送煤泥量(m³/h) |
15 |
|
7 |
煤泥泵出口額定壓力(Mpa) |
18 |
|
8 |
操作方式 |
電液手動操作 |
|
9 |
行走速度(m/s) |
0.60 |
|
10 |
最小轉彎半徑(m) |
≤4.5 |
|
11 |
液壓系統額定壓力(Mpa) |
18 |
|
12 |
主油泵額定壓力(Mpa) |
31 |
|
13 |
上料馬達額定壓力(Mpa) |
16 |
|
14 |
集泥馬達、攪拌馬達、油缸額定壓力(Mpa) |
10 |
|
15 |
行走馬達額定壓力(Mpa) |
11 |
|
16 |
履帶接地比壓 |
≤0.1 |
|
17 |
總重量(Kg) |
6700±335 |
由清倉機與離心式固液分離機組成的清挖系統是“鋼性液壓履帶行走(平板車式行走)+ 挖臂裝置+螺旋集料和封閉式螺旋上料裝置+20/10 礦用混凝土泵+高壓耐磨快接軟管+礦用離心式固液分離機”的高效清倉系統。采用全液壓履帶泵送清淤車,稠煤泥直接通過 20/10 混凝土泵輸送到皮帶上,稀稠煤泥經過軟管送至倉外 FL-500/22 型礦用固液分離機脫水后外運。 該清倉系統為一種移動可調式煤泥清挖一體化系統, 可實現井下水倉煤泥自動清理和固液分離功能。
其中 MQCY-35/55YL 煤礦用清倉機主要由微型挖臂裝置、螺旋集料和封閉式螺旋上料裝置、20/10 礦用混凝土輸送泵、剛性履帶低速大扭矩液壓行走(平板車式行走)裝置組成,采用全液壓控制。由七部分組成:
采用靈活的挖機挖臂機構,挖掘寬度大于 4.5m,挖掘高度大于 3.5m,挖掘距離大于2m,挖料裝置適合淤積層厚(大于 2m),可有效提高了煤泥集料寬度和上料效率,又避免了淤積層突然坍塌外涌,保護工作人員的安全。淤積層小于 2m,或者淤積層坍塌度低(自然塌落),則本部分可省略,但集料螺旋應根據水倉寬度適當加寬(活接)。
挖料裝置采用獨立的 16mL/r 齒輪油泵液壓驅動,并實現聯動控制。

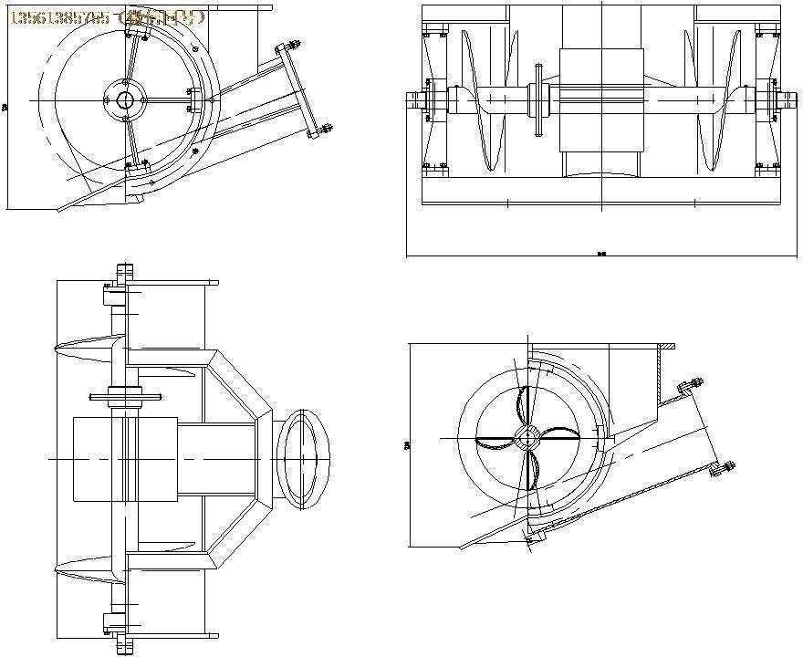
圖 1 雙臂挖料裝置
攪拌集料采用直徑 500mm 的整體封閉螺旋葉片雙向集料,葉片厚度 8mm,螺距 200mm, 螺旋軸采用Φ89mm×δ10mm 無縫鋼管,轉速大于 70r/min,集料螺旋固定部分長度一般為1.28m,兩側采用弧形(護板)和圓形(主軸)法蘭連接,出廠一般分別加長 600mm,可根據用戶要求分別設計;上料采用高效率的封閉螺旋上料至輸送泵料斗(不同濃度物料需不同的螺旋轉速),葉片厚度 8mm,螺距 180mm,螺旋軸采用Φ76mm×δ8mm 無縫鋼管;
為提高上料效率,集料螺旋與上料螺旋為縱向落差式布置,驅動分為:分別驅動--集料螺旋,PM6-400 五星柱狀馬達、20A 鏈式驅動,封閉上料螺旋,PM6-400 五星柱狀馬達花鍵直連驅動,分別啟動適合于不帶挖掘裝置、淤積層易于坍塌的較稀稠煤泥上料;分體驅動--集料螺旋軸通過 1QJM2-0.4 馬達與鏈輪組驅動,上料螺旋軸 PM8-600 通過五星柱狀馬達花鍵直連驅動。
攪拌集料、螺旋上料裝置采用一體化形式,支撐油缸可實現集料螺旋在 0~1m 范圍內升降工作。螺旋集料和封閉式螺旋上料裝置:既適合稠煤泥,又適合稀煤泥,集料螺旋直徑大于 500mm,集料寬度靈活可調(1.4~4m)。

圖 2 集料裝置

圖 3 上料裝置
履帶清淤車清理運輸,主要用來清運沉淀物,需用攪拌集料葉片將混合物攪拌后,通過高效的 20/10 礦用混凝土泵輸送至礦用臥螺離心機進行脫水處理。該清淤車操作方便, 具有較高的可靠性, 能實現連續自動清理水倉沉積物, 可以提高水倉清淤的效率和安全性。
采用高強度剛性履帶,低速大扭矩液壓行走底盤,動力更加強勁。平板車式行走,方便靈活便于轉運。履帶為三筋 300 履帶,節距 135mm,接地長度 1620mm(22º≥爬坡≥16º),平臺總寬度 1305mm,長度 2300mm,涉水高度≥600mm,離地間隙≥250mm,雙橫梁□180mm
×180mm×δ10mmQ345。

圖 4 履帶行走底盤
MQCY-15/55YL 礦用重型清倉機組中心機構是礦用 S 擺閥雙缸柱塞輸送泵,借鑒 20/10 混凝土輸送泵的主體機構,是解決稠煤泥遠程泵送的關鍵,煤泥的比重和潤滑性決定了輸送煤泥必輸送混凝土更遠、更容易,也不易凝固。井下水倉淤積的煤泥含水一般在 20~40%
之間,直接泵送至煤運皮帶或原煤倉是大部分礦方可接受的,省略了脫水過程,并且煤泥中夾雜的 40mm 以下顆粒可順利泵送,這一工藝拋棄了原始的“風水沖稀--渣漿泵(或螺桿泵)送料--振動篩過濾--攪拌筒攪拌--泵送--板框壓濾”繁雜工藝,即“加水再脫水” 的矛盾做法,極大提高清淤效率。
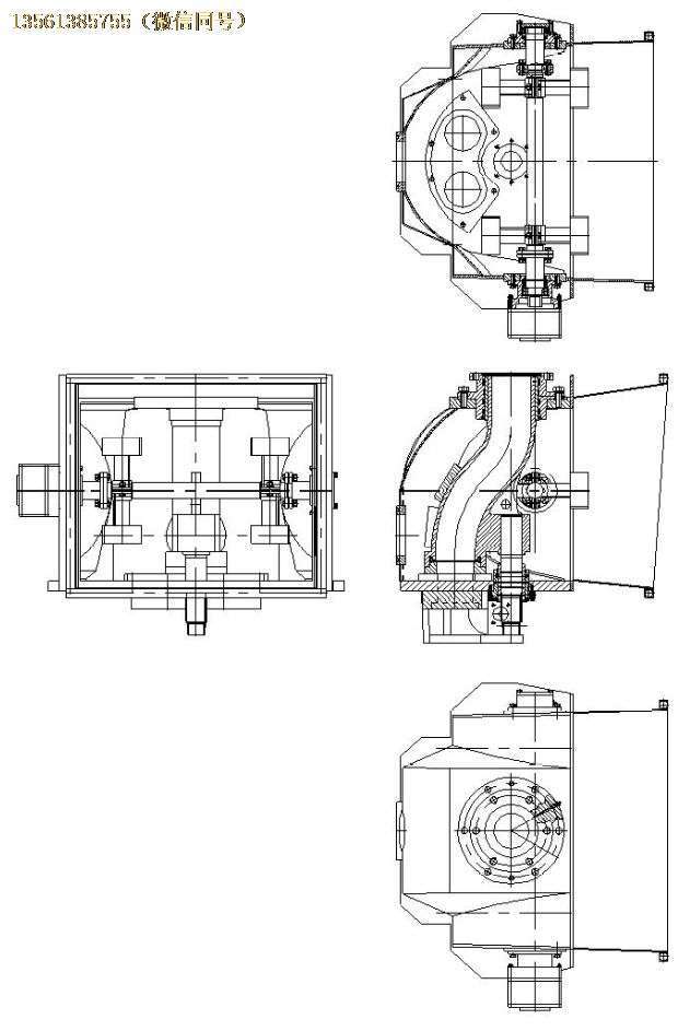
輸送泵為 S 擺閥雙缸全液控高效輸送泵,料缸直徑 140mm,油缸直徑 100mm,行程 580~ 700mm,擺缸為大 50mm 缸,輸送泵主體安裝于鋼性液壓行走履帶底盤上,整機涉水高度大于 600mm,泵送距離大于 500mm,揚程可達近百米,特大礦井水倉長度超過 600m 時,可方便的采用獨體的礦用 20/10 混凝土輸送泵接力外送。20/10 輸送泵即可輸送 20%以下濃度稠煤泥,又可泵送濃度極低的液體,甚至清水,但封閉螺旋上料在輸送不同濃度物料時需不同的螺旋轉速。
20/10 混凝土輸送泵配置有完善的料斗喂料攪拌裝置和耐磨眼鏡板,以及耐磨泵送出料口及快速接口。煤泥可遠距離輸送,輸送距離大于 500 米,高度大于 50m。通過管道可以直接輸送到主運皮帶或者其他裝載點。配備 20 米/根高強度耐磨鋼絲橡膠管,快速連接,
也可以采用煤礦井下 3-4 寸供水供風管路。

圖 5 輸送泵總成

圖 6 輸送泵攪拌裝置
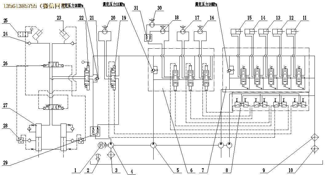
整機為全液壓先導控制,為適應水倉工作環境液壓系統采用先進的“帶回饋控制變量柱塞主泵+恒功率柱塞泵+輔控齒輪泵”組合;先導聯動控制,配置合理的多路控制閥、分配閥、控制閥;集上料液壓驅動采用力矩強勁的 PM6(8)-400(600)五星柱狀馬達,行走采用 6SC 低速大扭矩液壓馬達,保證液壓系統功率強勁;
工作介質使用 46#抗磨液壓油,油箱容積為 450L,正常加油量為 420L,液位高度在液位計中部,工作時系統升溫控制在 70℃以下。

圖 7 液壓系統原理圖
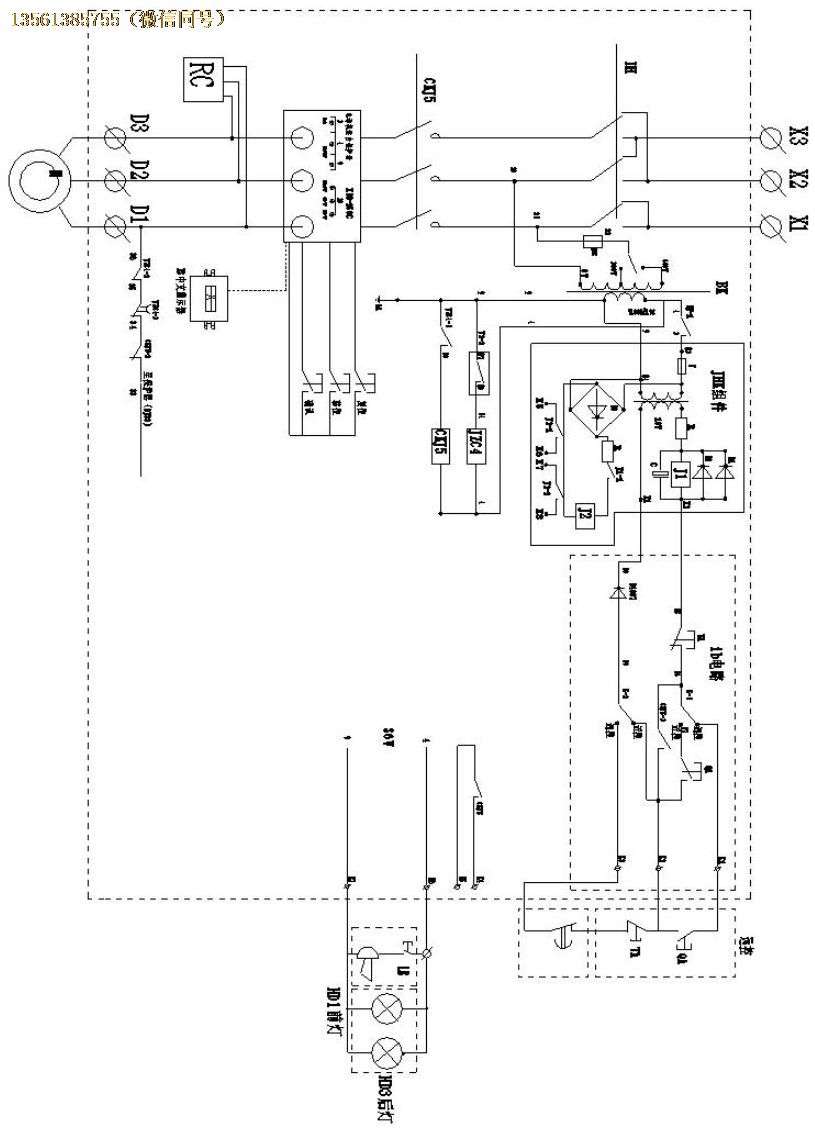
6、電氣控制系統 電氣控制系統包括:
8.MYP-0.66/1.14(3*35+1*16)mm²煤礦用移動屏蔽橡套軟電纜 若干

圖 8 電氣控制系統原理圖
20/10 礦用混凝土泵泵送出口為Φ125mm 標準口徑,采用鋼性變徑為Φ86mm 快接,后接Φ86I-20M 型多層鋼絲高壓耐磨橡膠軟管,20m/根,帶快接,主要由于遠距離封閉輸送煤泥,快速連接,配套軟管主要用于水倉拐彎、上坡及前后與機體連接處,其他平直巷道可借用礦方的 3~4 寸風水管。
礦用煤泥脫水離心機,處理量大、處理濃度高、運轉平穩可靠、噪聲低,可實現連續運轉、無人值守,可直接跨裝在主運皮帶上方或運輸軌道上方,固液(水煤)分離裝置, 利用離心+壓縮原理將煤顆粒和水分離,不含濾網(不易堵塞)。稀稠的煤泥水泵送進入 脫水離心機進行連續工作,分離出的煤泥含水量 18%~24%,優于壓濾機,工作效率高。礦用固液分離機每小時處理的固液量(煤泥和水)大于 30m³/h,分離出的煤泥量在 5~15t/h。
礦用脫水離心機處理量大,工作效率高,但體積并不大,立式安裝、結構緊湊,適合于礦井工作條件,整機重量≤3T,體積≤長 3500mm(包含電機)×寬 1100~1300mm×高1700mm(可加高)。
礦用脫水離心機,不僅處理量大、處理濃度高,核心技術是在不用變頻拖動情況下, 可通過多差速調節+結構性調節,實現不同礦井淤泥不同狀態,根據煤質比重、顆粒度大小、入料濃度差別對應性設定離心機參數,根據水倉不同區段顆粒度的差別,靈活調節離心機運行差速度,確保脫水效果。
MQCY-35/55YL 清倉機組在泵送含水率 40%以下淤泥時,可完全省掉脫水離心機,直接泵送煤泥至主運皮帶或煤倉,當然,MQCY-35/55YL 清倉機組在上料螺旋達到 100r/min 以上時,同樣適合泵送稀稠煤泥水至脫水離心機進行深度脫水。
水倉煤泥清挖處理系統由攪拌集料上料系統、泵送系統、脫水分離系統組成。該系統采用單元化設計,各個子單元之間相對獨立,又有機聯系,滿足井下作業需要。其工作原理為: 通過清淤車攪拌集料系統對煤礦井下煤泥進行攪拌上料,泵送系統通過管路將煤泥輸送至倉上 FL-500/22 型礦用脫水離心機,煤泥水混合物在 FL-500/22 型礦用固液分離機作用下,使水、煤混合物分離,水經溢流管排出后回流到另一水倉,脫水離心機的脫水煤泥進入礦車或皮帶外運。
此系統可以使水倉煤泥/泥漿的清挖工作從此告別傳統的又臟又累的人工勞動,實現煤泥清挖、泵送、煤泥脫水機械化連續工作,大大改善工人的勞動條件,減輕勞動強度,提高工作效率,縮短清倉工期,提高水倉利用率,具有巨大的經濟效益和社會效益,是實現
水倉煤泥清挖/泥漿處理機械化的理想設備。
八、工藝流程及特點

水倉凊挖工藝流程
主要特點:
清倉機在出廠前已做過部件和整機的出廠試驗,運抵煤礦后無特殊原因不要重新拆裝。由于經過途中運輸和擱置過程,必須經過地面運轉后方可投入井下生產。
地面檢查的注意內容有:檢查機器各部件是否正常,完整無損,各部件連接部位有無松動;外接管路是否擠壓,碰撞損壞,接頭是否擰緊;各油池、潤滑點是否按潤滑系統圖要求的油質和油位注油,有無滲漏現象;操作手把是否靈活可靠。
整機地面試運轉:按正常井下操作順序接上符合要求的電源后,進行整機空載運行。并檢查各運轉部分的聲音是否正常,有無異常的發熱和滲漏現象,再操作各電控按鈕和手把,檢查動作是否靈活、可靠。
清倉機在井上檢查與試運轉正常后,即可運送下井。運送時,要根據礦井的具體條件將機器解體成幾部分。對解體后外露的孔、腔必須嚴密封閉;對裸露的結合面、管接頭、操作手把、按扭必須采取保護措施;對某些活動部分必須加以固定;油管、水管兩端必須堵后包扎方能下井;對緊固件及零碎小件必須分類裝箱下運,以免丟失。井下組裝與檢查同地面相同。清倉機司機必須經過地面培訓,才能上崗。
操作注意事項:
正確的維護和檢修,對提高機器的可靠性,減少事故率,延長使用壽命十分主要。一般分日檢、周檢、季檢及大修。
(一)日檢內容
(二)周檢內容
(三)季檢內容
從放油口取樣,化驗液壓油的油質。
除周檢內容外,對遺留的技術問題進行處理,并作好有關記錄。四、常見故障及解決方法
液壓系統不能正常工作最主要原因是堵和漏。油路堵了,油液不能流到所需的管路、元部件,工作元部件缺少動力源,或油液無處排放,產生蹩勁;油路有漏損,工作元部件建立不起正常工作所需工作壓力。
搖臂不能升降
d.粗濾油器嚴重堵塞。清洗濾芯。
在產品規定位置,應規定清倉機MP,配套電機MP、警告牌和各操縱機構指示牌。其中清倉機MP內容如下:
—— 產品名稱、型號
—— 主要參數
—— 制造日期
—— 出廠編號
—— 安標證號
—— 制造廠名二、包裝與運輸
清倉機可整機包裝、運輸,也可按部件解體包裝,各種包裝型式均應有防潮措施。
—— 制造廠名,發貨站名稱;
—— 產品名稱、規格、型號;
—— 凈重、毛重、外形尺寸(長×寬×高)
—— 收貨單位及地址,收貨站名稱;
—— “起吊位置”、“輕放”、“不許倒置”、“勿受潮濕”字標或圖案。
產品出廠時,應隨機提供下列文件:
—— 產品合格證
—— 產品說明書
—— 裝箱單
—— 主要部件裝配圖
—— 電氣原理圖三、貯存
清倉機應貯存在通風、干燥、無腐蝕性氣體的地方,防止受潮腐蝕和其它損失。貯存前應將水道中剩水抽干凈。
當貯存6個月以上時,應置于室內倉庫。
主要零(元)部件及重要原材料明細表
|
序 號 |
零部件名稱 |
規格型號 |
生產單位 |
受控類別 |
|
1 |
礦用隔爆型急停按鈕 |
BZA1-5/36J(A) |
浙江六班電氣有限公司 |
B |
|
2 |
礦用隔爆型控制按鈕 |
BZA1-5/36-2 |
浙江六班電氣有限公司 |
B |
|
3 |
礦用隔爆型聲光組合電鈴 |
DLB1-127(36)G |
浙江榮通防爆電器設備有限公司 |
B |
|
4 |
礦用隔爆型 LED 照明信號 燈 |
DGE18/36LX(A) |
浙江六班電氣有限公司 |
B |
|
5 |
礦用隔爆兼本質安全型真空 電磁啟動器 |
QJZ-120/1140(660) |
山東英偉森新能源科技有限公司 |
B |
|
6 |
煤礦用聚氯乙烯絕緣聚氯乙烯護套編織屏蔽控制軟電纜 |
MKVVRP-450/750 4*0.75mm² |
山東新通電纜制造股份有限公司 |
B |
|
7 |
煤礦用移動屏蔽橡套軟電纜 |
MYP-0.66/1.14(3*35+1*16)mm ² |
河北祥泰線纜有限公司 |
B |
|
8 |
煤礦井下用隔爆型三相異步 電動機 |
YBKE3-250M-4(660/1140) |
江蘇月亮電機有限公司 |
B |
|
9 |
便攜式甲烷檢測報警儀 |
JCB4 |
浙江正安防爆電氣有限公司 |
B |
|
10 |
四層鋼絲纏繞高壓液壓支架 軟管 |
4SP-6.3、10、16 |
山東大工橡膠股份有限公司 |
B |
|
11 |
二層鋼絲編織液壓支架軟管 |
RB2-6.3、8、10、12.5、19、 38、51 |
山東大工橡膠股份有限公司 |
B |
|
12 |
四層鋼絲纏繞高壓液壓支架軟管 |
4SH-19、25 |
山東大工橡膠股份有限公司 |
B |
|
13 |
冷卻器 |
HYFL-1.6-10-12 殼體材質: Q235 |
江蘇洪林液壓機械有限公司 |
C |
|
14 |
靜音型主泵(柱塞泵) |
F3V112S-1NCJ-06 殼體材質: HT300 |
煙臺艾迪液壓科技有限公司 |
C |
|
15 |
齒輪泵 |
CBGJ1045/1016/0010XF 殼體材質:Q450 |
青州市盛恒機械配件廠 |
C |
|
16 |
馬達(攪拌) |
1QJM02-0.4 殼體材質:QT600-3 |
寧波中寧液壓有限公司 |
C |
|
17 |
馬達(集料) |
1QJM21-0.4Z3 殼體材質: QT600-3 |
寧波中寧液壓有限公司 |
C |
|
18 |
馬達(上料) |
NIM8-600 殼體材質:QT600-3 |
寧波中寧液壓有限公司 |
C |
|
19 |
馬達(行走) |
ZTM06 殼體材質:QT600-3 |
寧波賽歐液壓傳動有限公司 |
C |
單位:山東韋辰重工有限公司
地址:山東省菏澤市鄆城縣鄆州街道申廠
郵編:274700
聯系方式:0530-6429159